
405 Texas Sky Dr, Georgetown, TX 78628
Schedule a Tour
Available 7 days a week
About this Home
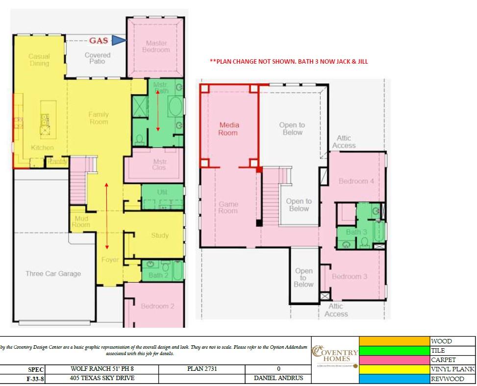
New Coventry Home! The Gallatin floor plan delivers two stories of thoughtful design and comfort, offering 4 bedrooms and 3 bathrooms perfectly tailored for your family’s needs. The ground floor is centered around an open-concept design that combines the kitchen, dining, and living spaces, making it ideal for both daily living and entertaining. A private guest suite on the main floor adds convenience for overnight visitors or ...
Listing data provided directly by MLS Grid. Information deemed reliable but not guaranteed.
Updated Feb 18, 2026Assigned Schools
Similar homes in Georgetown
View allData Source & Disclaimer
Property data is sourced from Unlock MLS (ACTRIS) and is updated periodically. While we strive to provide accurate and up-to-date information, details may be incomplete, outdated, or subject to change without notice.
Information is provided for personal, non-commercial use only and may not reflect all real estate activity in the market. Certain listings may be excluded in accordance with MLS rules. Buyers are encouraged to independently verify all information.
Explore Every Corner of Austin
Search by city, neighborhood, ZIP code, or school district — with real-time data across the entire market.
Communities
ZIP Codes
School Districts
Can't find what you're looking for?
Tell us what you want and we'll match you with the right property across Central Texas.





